Product introduction:
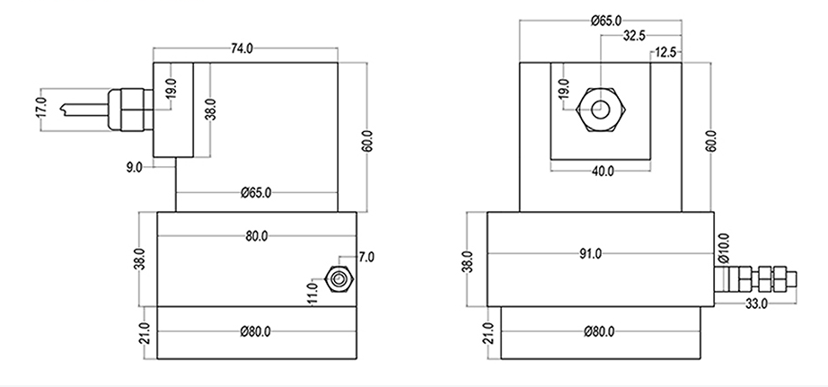
Milont?HPS cable?displacement sensor is imported from BEBIK Germany?which is a high-precision sensor, the range of 300~7000mm, the sensor signal output types are: resistance output, voltage output (0-5V;0-10V), current output (4-20mA, two-wire or three-wire system). The sensor is standard equipped with external thread rope head, high precision, good stability, easy installation and use.
Application area:
HPS cable?displacement sensor, high accuracy, good stability, suitable for all kinds of automatic equipment displacement measurement and positioning.
